Contact Us
- Wei Four Road, Weizhuang industrial Park, Changyuan District, Xinxiang City, Henan Province, China
- sales@zybc.com
- +86-373-7136666

Drum Brake For Belt Conveyor
DYW explosion-proof electro-hydraulic drum brakes are widely used for deceleration and parking (maintenance) braking of various mechanisms in various lifting and transportation, belt transportation, port loading and unloading, metallurgy and construction machinery with explosion-proof requirements.
Description
DYW series of electro-hydraulic drum brakes for belt conveyors are mainly used for working brake devices of coal mine belt conveyors, mining winches and mining equipment transmission systems. DYW series brakes implement the standards reviewed and determined by the National Mining Product Safety Marking Center of Safety Standards. Not only the thruster has a safety mark certificate, but the brake machine also has a safety mark certificate.
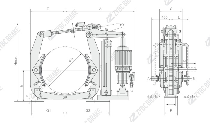
Outline And Install Ation Dimension

Order Mark

Conditions of Use:
Purpose: DYW series of electric hydraulic drum brakes for mining belt conveyors are used for the braking of underground belt conveyors in coal mines;
Ambient temperature: -25℃~+40℃ (check the instruction manual of the thruster when it is lower than -25℃);
The relative humidity of the air is not more than 90%;
The altitude of the work place does not exceed 2000 meters;
The pollution level of the surrounding environment is allowed to be level 3;
The applicable power supply is three-phase AC power supply: 50HZ 380V, 660V, 1140V, and the motor insulation class is F.
Product:


About us:

Zhongyuan Brake is a professional supplier of industrial brakes. Our customized products are mainly used in the fields of cement, steel, docks, winches, belt conveyors, locomotives, gantry cranes, tower cranes, bridge cranes, jib cranes and bridge cranes.
Please feel free to send us your requirements, and we will confirm for you as soon as possible.
Hot Tags: drum brake for belt conveyor, China, manufacturers, supplier, factory, customized
You Might Also Like












